A qualidade IMA está a um clique de você!

Aplicação Detalhada
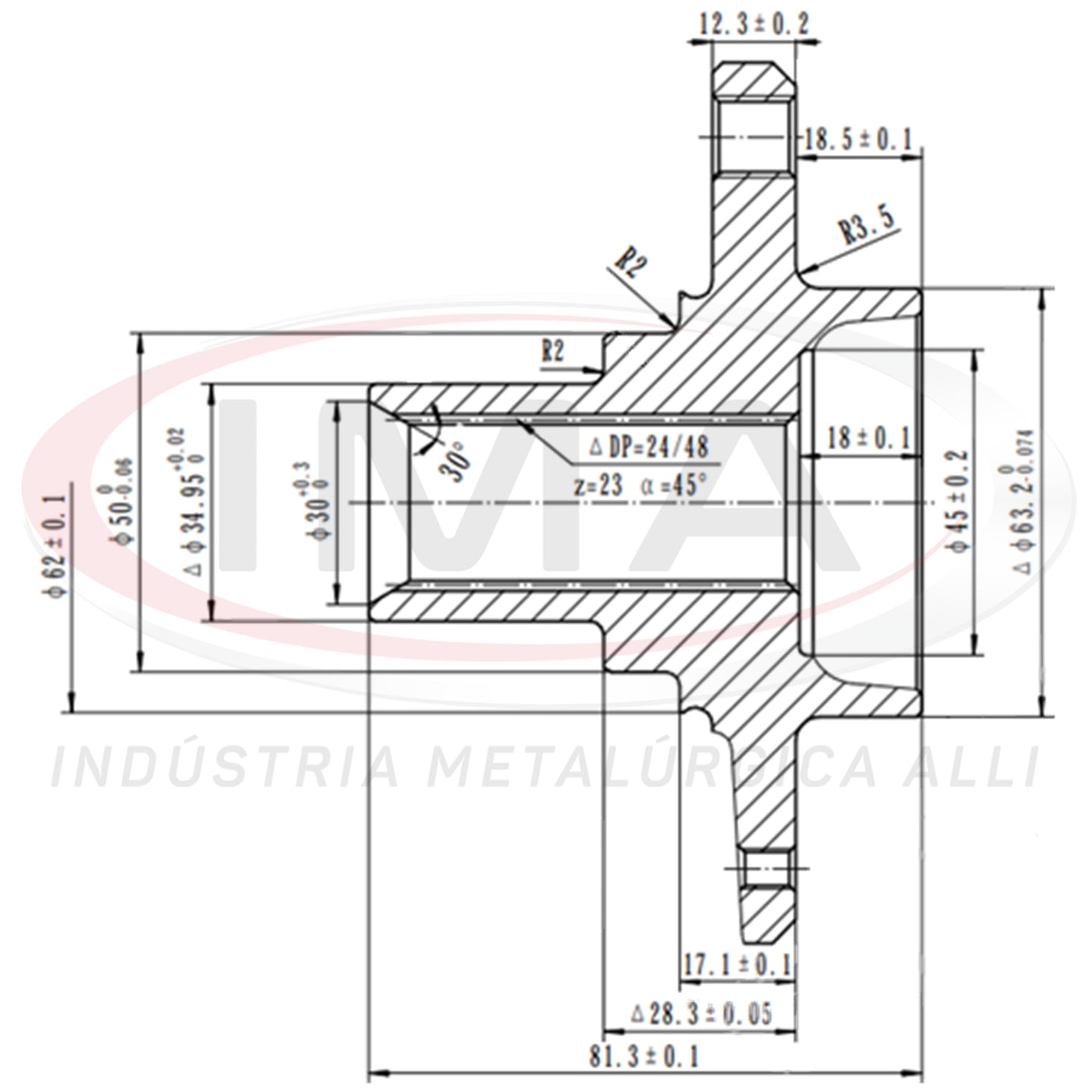
Especificações Técnicas
- Posição Dianteiro
- ABS Sim
- Furação 4 x 108 mm
- Quantidade de Furos 4
- Furo do Rolamento 35 mm
- Nº de Estrias 23
- Queima de Estoque Não
- Promoção Não
- Lançamento Não
- Grupo do Produto CUBO DE RODA
- Lado Direito/Esquerdo